中文 | English
ES系列CO2 激光管

ES系列CO2 激光管

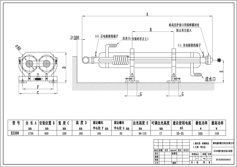
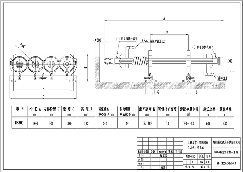
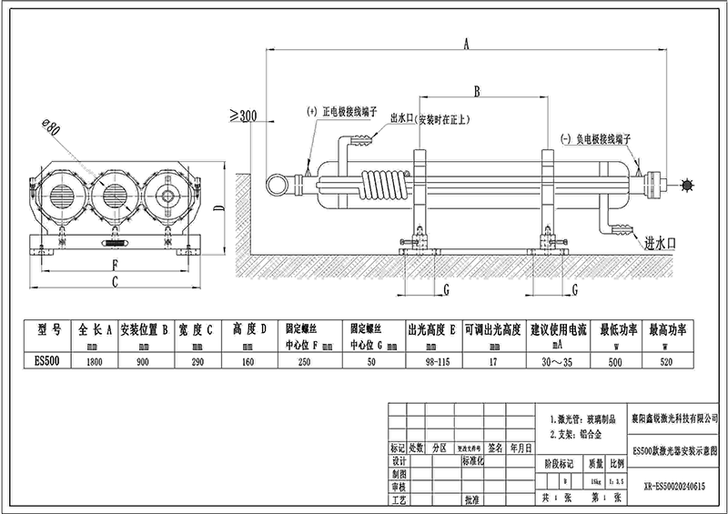
鑫锐激光ES系列CO2激光管是我公司历经多年研制的长寿命增强型CO2激光管,激光管功率高、光束细、发光性能稳定,放电管镀有催化剂,使其工作寿命大为增加,相比同类产品有体积小、光斑模式好、切割速度快的优势。该系列产品质保期12个月,可和公司现有电源、镜片系列产品完全配套,使用更稳定,寿命更长。适用领域:有机材料、布料、皮革、木板、亚克力、玻璃等的切割。

技术参数

77f48df6-428f-4e90-beb2-438d378d594e.png28ea5cbe-a13a-4add-8d0f-55e91835fb5e.pngd1626d2f-c3bc-4f24-93a2-a2178489ff73.png